汽车
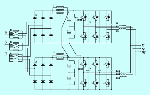
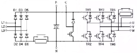
电动汽车电机控制系统

我司可支持产品:
SiC MOSFET N650-1200V
IGBT 650-1200V
栅极驱动IC
多路运算放大器
小信号二极管
铝电解电容
电平转换IC
电池管理系统

我司可支持产品:
AFE
充放电MOSFET N30-150V
均衡MOSFET N/P 20V
总线接口
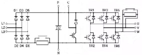
车载逆变系统

我司可支持产品:
防反接MOSFET P30-60V
推挽MOSFET N80-200V
逆变MOSFER 650V
逆变IGBT 650V
栅极驱动IC
整流部分大功率FRED二极管
车身控制域(座椅门窗控制、水泵、油泵)

我司可支持产品:
MOSFET N40-60V
栅极驱动IC
多路运算放大器
小信号二极管
固液混合铝电解电容
充电桩

我司可支持产品:
大功率FRED 650V
SiC JBS 650V
MOSFET N650V
铝电解电容
栅极驱动IC

车灯

我司可支持产品:
防反接MOSFET P30-60V
boost MOSFET N60-100V
H桥 MOSFET N60-100V
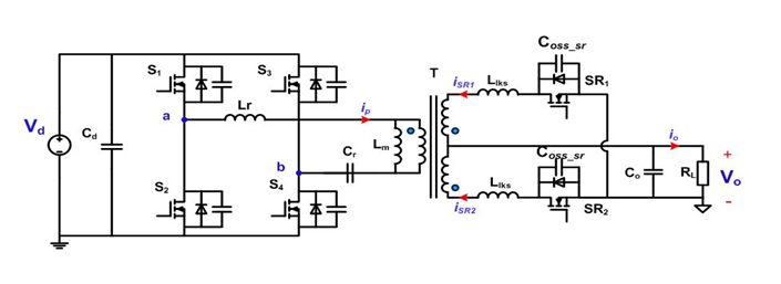
OBC

我司可支持产品:
PFC MOSFET 650V
IGBT 650V
大功率FRED 650V
SiC JBS 650V
新能源
光伏逆变

我司可支持产品:
逆变MOSFER 650V
逆变IGBT 650V
SiC JBS 650V
栅极驱动IC
整流部分大功率FRED二极管
比较器
显示驱动
总线收发器
运算放大器
充电桩

我司可支持产品:
大功率FRED 650V
SiC JBS 650V
MOSFET N650V
铝电解电容
栅极驱动IC
比较器
显示驱动
总线收发器
运算放大器
光伏(智能)接线盒

我司可支持产品:
光伏旁路二极管 R-6/GF系列
关断MOSFET N100V
总线收发器
运算放大器
光伏/风能电站储能

我司可支持产品:
AFE
充放电MOSFET N100-150V
均衡MOSFET N/P 20V
比较器
显示驱动
总线收发器
运算放大器
工业
变频器

我司可支持产品:
IGBT 650V-1200V
PIM模块
大功率整流桥
铝电解电容
栅极驱动IC
多路运算放大器
逆变焊机

我司可支持产品:
IGBT 650V-1200V
PIM模块
大功率整流桥
铝电解电容
栅极驱动IC
多路运算放大器
工业逆变器

我司可支持产品:
IGBT 650V-1200V
PIM模块
大功率整流桥
铝电解电容
栅极驱动IC
工业电源

我司可支持产品:
谐振MOSFET 650V
SR MOSFET 60V-200V
铝电解电容
小信号二极管
大功率整流桥
大功率肖特基二极管
多路运算放大器
园林工具

我司可支持产品:
IGBT 650V-1200V
大功率整流桥
栅极驱动IC
多路运算放大器

工业缝纫机

我司可支持产品:
IGBT 650V-1200V
大功率整流桥
栅极驱动IC
多路运算放大器
消费电子
家用电器
我司可支持产品:
全系列二极管/三极管
铝电解电容
ACDC DCDC
运算放大器
LDO
显示驱动
MCU
逻辑
电机驱动
音响
红外遥控
总线接口
EEPROM
时钟
电容式触摸
马达驱动
LED照明


我司可支持产品:
照明IC
铝电解电容
二极管
电动工具

我司可支持产品:
MOSFET N40-60V
栅极驱动IC
多路运算放大器
小信号二极管
固液混合铝电解电容
ACDC DCDC
AFE
锂电保护芯片
显示驱动
逻辑
手机及便携穿戴
我司可支持产品:
锂电保护芯片
DCDC
二极管
双极型晶体管
POS机
我司可支持产品:
ACDC DCDC
显示驱动
MOSFET
二极管
双极型晶体管
运算放大器
LDO
总线接口
MCU
逻辑
电源/适配器

我司可支持产品:
ACDC
SR
MOSFET
整流桥
二极管
电压基准
双极型晶体管

移动短交通
电动车/EBIKE

我司可支持产品:
MOSFET
栅极驱动IC
多路运算放大器
二极管
固液混合铝电解电容
ACDC DCDC
AFE
锂电保护芯片
显示驱动
逻辑
双极型晶体管
逻辑


滑板车 平衡车 全地形车

我司可支持产品:
MOSFET
栅极驱动IC
多路运算放大器
二极管
固液混合铝电解电容
ACDC DCDC
AFE
锂电保护芯片
显示驱动
逻辑
双极型晶体管
逻辑


通讯
交换机 调制解调器
我司可支持产品:
总线接口
逻辑
ESD
ACDC DCDC
LDO
MOSFET
机顶盒
我司可支持产品:
显示驱动
逻辑
ESD
ACDC DCDC
LDO
MOSFET